Редуктор червячный одноступенчатый 1Ч-160




Технические характеристики 1Ч-160
| Название | Значение |
| Межосевое расстояние | 160 |
| Передаточное отношение | 8, 10, 12,5, 16, 25, 31,5, 40, 50, 63, 80 |
| Обороты вых. вала, об/мин | 9 - 190 |
| Крутящий момент, Н*м | 1300 - 3550 |
| Мощность двигателя, кВт | 2,2 - 22 |
| Исполнение входного и выходного валов | Ц, К, П (Цилиндрический, Конический, Полый) |
| Вес, кг | 170 |
Редуктор 1Ч-160 червячный одноступенчатый — это надежное и эффективное решение для промышленного оборудования, где нужна точная передача крутящего момента и снижение частоты вращения валов. Такие редукторы серии Ч, 1Ч и 2Ч широко применяются в механизмах общемашиностроительного назначения — от конвейерных линий и лифтовых систем до смесителей, шлюзовых затворов и подъемных устройств.
Одним из ключевых параметров конструкции считается межосевое расстояние — 160, от которого напрямую зависит компактность и допустимая нагрузка устройства. Это значение определяет габариты корпуса и влияет на монтаж в ограниченном пространстве производственных линий.
Основой конструкции является пара, состоящая из червяка и червячного колеса, обеспечивающая плавность хода, высокую кинематическую точность и низкий уровень шума при эксплуатации. Для эффективной работы важен показатель передаточные отношения — 8, 10, 12,5, 16, 25, 31,5, 40, 50, 63, 80 , определяющий степень понижения скорости вращения между ведущим и ведомым валом.
Благодаря одноступенчатому универсальному принципу действия редукторы подходят для использования в самых разных условиях, включая длительную работу без перерывов и сложные режимы нагрузки. При этом значение обороты выходного вала — 9 - 190 позволяет подобрать оптимальный режим работы привода под конкретные технологические задачи.
Корпусы редукторов изготавливаются из чугуна или алюминиевого сплава, что гарантирует прочность, устойчивость к вибрациям и надежное охлаждение в процессе работы. В сочетании с этим важную роль играет крутящий момент — 1300 - 3550, который определяет способность редуктора выдерживать нагрузку без потери эффективности.
Редукторы 1Ч-160 с червячными колесами обладают самотормозящим эффектом, что делает их особенно востребованными в подъемно-транспортных механизмах, где важна безопасность вращения. В таких системах также учитывается мощность двигателя — 2,2 - 22, влияющая на производительность привода, и исполнение конца выходного вала — Ц, К, П (Цилиндрический, Конический, Полый), которое определяет тип соединения с рабочим механизмом.
1Ч-160-40-21-1-1-Квх/Фвых, где
1Ч — червячный одноступенчатый редуктор улучшенной серии (повышенная точность, износостойкость, улучшенная смазка);
160 — межосевое расстояние, мм;
40 — передаточное число;
21 — вариант сборки (выходной вал снизу, горизонтальное расположение корпуса, входной вал сбоку);
1 — расположение червячной пары;
1 — вариант крепления;
Квх/Цвых — конический входной вал (под муфту), цилиндрический выходной вал.
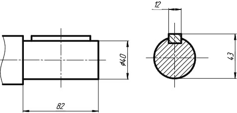
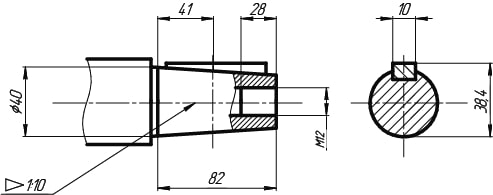
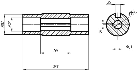
Габаритные и присоединительные размеры 1Ч-160
Варианты сборки 52 (51,53,56,61,62,63,66), вариант крепления 1(2), вариант расположения червячной пары 1
Варианты сборки 51 (52,53,56,61,62,63,66), вариант крепления 2, вариант расположения червячной пары 1
Варианты сборки 51 (52,53,56,61,62,63,66), вариант крепления 3(4), вариант расположения червячной пары 4(3)
Варианты сборки 52 (51,53,56,61,62,63,66), вариант крепления 5, вариант расположения червячной пары 5
Таблица подбора червячного редуктора 1Ч-160
Наименование параметров | Техническая характеристикам | ||||||||||||||||||||||
Передаточное число номинальное | 8 | 10 | 12,5 | 16 | 20 | 25 | 31,5 | 40 | 50 | 63 | 80 | ||||||||||||
Номинальный крутящий момент на выходном валу при основном, повторно-кратковременном режиме с продолжительностью включения ПВ=40%, Нм | 250 | 224 | 250 | 224 | |||||||||||||||||||
Номинальный крутящий момент на выходном валу в непрерывном режиме с продолжительностью включения ПВ=100%, Нм | 180 | 160 | 180 | 200 | 180 | 160 | |||||||||||||||||
Допускаемая радиальная консольная нагрузка, приложенная к середине посадочной части входного вала, Н в режиме: | 40% | 500 | |||||||||||||||||||||
100% | 450 | ||||||||||||||||||||||
Допускаемая радиальная консольная нагрузка, приложенная к середине посадочной части выходного вала, Н в режиме: | 40% | 4200 | |||||||||||||||||||||
100% | 4000 | ||||||||||||||||||||||
Корректированный уровень звуковой мощности, дБА, не более | 83 | ||||||||||||||||||||||
Масса, кг по вариантам сборки | 51, 52 | 19,5 | |||||||||||||||||||||
53 | 21,0 | ||||||||||||||||||||||
56 | 18,5 | ||||||||||||||||||||||
Частота вращения входного вала, об/мин | Коэффициент полезного действия, % | ||||||||||
при номинальных передаточных числах | |||||||||||
8,0 | 10 | 12 | 16 | 20 | 25 | 31,5 | 40 | 50 | 63 | 80 | |
1500 | 89 | 88 | 87 | 84 | 83 | 81 | 74 | 73 | 68 | 62 | 60 |
1000 | 88 | 87 | 86 | 82 | 81 | 79 | 71 | 69 | 65 | 59 | 57 |
750 | 87 | 86 | 85 | 82 | 80 | 78 | 69 | 67 | 63 | 56 | 54 |
Допускаемая радиальная консольная нагрузка на входном валу 340 Н | |
Допускаемая радиальная консольная нагрузка на выходном валу | |
при вариантах сборки 51, 52 — 3000 Н | при вариантах сборки 53, 56 — 1500 Н |
Если вы хотите купить червячный редуктор 1Ч-160, оформите заказ на сайте или свяжитесь с нашими специалистами в форме обратной связи. Мы работаем напрямую с предприятиями и обеспечиваем поставку редукторов и других моделей в любой регион России.
Предлагаем только сертифицированное оборудование, соответствующее ГОСТу, с технической поддержкой и консультацией по подбору. Благодаря наличию на складе и оперативной доставке вы получите необходимые приводы в кратчайшие сроки и без простоев в производстве.
Адреса ООО "СП НАСОСЭНЕРГОМАШ":
- Редукторы
- Редуктор червячный одноступенчатый Ч-100
- Редуктор червячный одноступенчатый Ч-125
- Редуктор червячный одноступенчатый Ч-160
- Редуктор червячный одноступенчатый 1Ч-160
- Редуктор червячный одноступенчатый 2Ч-40
- Редуктор червячный одноступенчатый 2Ч-63
- Редуктор червячный одноступенчатый 1Ч-63А
- Редуктор червячный одноступенчатый Ч(1Ч)-80
- Редуктор червячный одноступенчатый 2Ч-80
- Редуктор червячный одноступенчатый Ч-80(Чс-80)
*Доставка в другие регионы осуществляется траспортными компаниями.
Услуги транспортной компании оплачивает клиент.
В ближайшее время наши менеджеры
свяжутся с Вами.
В ближайшее время наши менеджеры
свяжутся с Вами.


